Gratis Inserat
z.B. sie sucht ihn | hund | katze | massage | mobilheim | maiensäss | pudel | maltipoo | bkh katze | heimarbeit | pomeranian | chihuahua | frau sucht mann



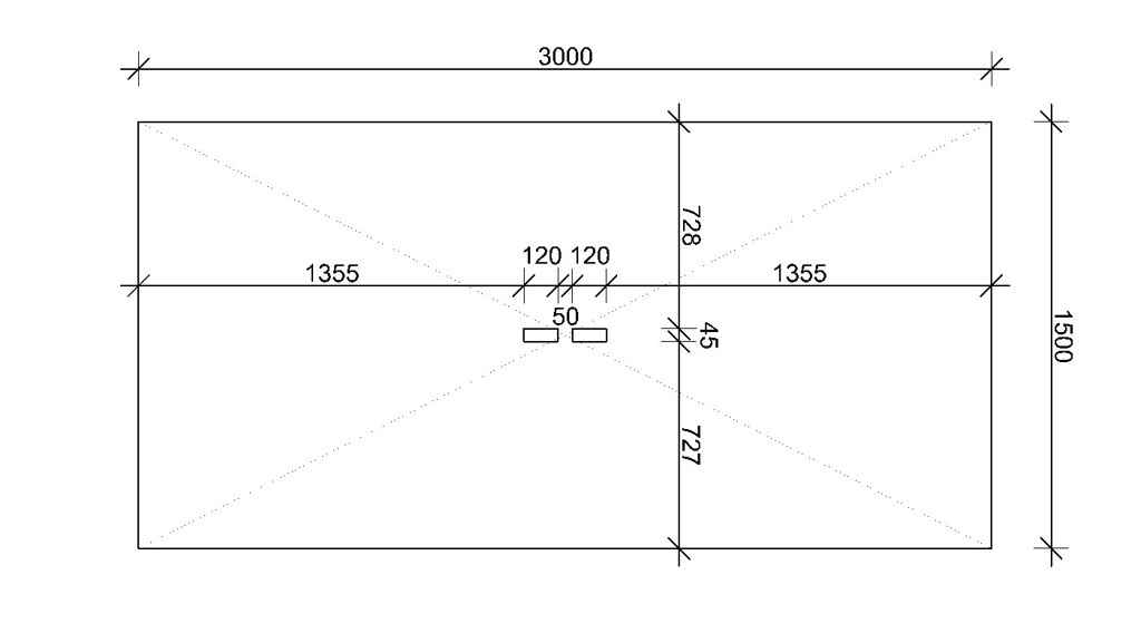
Fahrplatte Überfahrblech Stahl 3000x1500x30mm S355

1'100.-

  14.10.25


Lageplan   Drucken   Betrug melden


Stahlplatte zur Baustelleneinrichtung als Fahrstrasse, Lastverteilungsplatte oder Grabenüberquerungsplatten für schwere Maschinen, Geräte & Fahrzeuge.

Fahrplatten aus Stahl:
Fahrplatten aus Stahl sind für alle Untergrundboden geeignet. Mobile Baustrassen für schwere Lastkraftwagen.

Die Fahrplatten aus Stahl sind die ideale Lösung für den harten Baustelleneinsatz. Ob als mobile Fahrstrasse, Lastverteilungsplatte oder zur Grabenüberquerung: Unsere Stahlplatten sorgen für maximale Stabilität und Sicherheit bei schweren Maschinen, Geräten und Fahrzeugen.

Jede Platte verfügt über Löcher, die das Anheben mit Kran, Bagger, Radlader oder Schlaufen erleichtern. Umgangssprachlich werden Fahrplatten aus Stahl auch Fahrblech, Überfahrblech, Grobblech, Fahrbahnplatte oder Fahrstrasse genannt.

Wofür eignen sich Fahrplatten aus Stahl?
Fahrplatten aus Stahl sind die erste Wahl, wenn höchste Stabilität und Belastbarkeit gefordert sind. Besonders im Einsatz mit schweren Maschinen und Fahrzeugen auf stark aufgeweichten, unbefestigten oder schlecht tragfähigen Böden haben sich Stahlplatten bewährt. Häufig werden sie als temporäre Zufahrtslösung genutzt – beispielsweise als mobile, Fahrstrasse oder Schwerlastzufahrt.

Daher sind auch Begriffe wie Fahrblech, Fahrbahnplatten, Überfahrplatten oder Wegestahl gebräuchlich, die alle das gleiche Produkt beschreiben. Ein weiterer Vorteil: Stahlplatten eignen sich ideal für Bagger mit Stahlketten.

Durch ihre hohe Biegesteifigkeit und glatte Oberfläche halten sie den extremen Belastungen stand, ohne dass es – wie bei Platten aus Kunststoff oder Holz – zu erhöhtem Verschleiss durch Lenkbewegungen kommt.

Für schwere Maschinen
Fahrstrassen
Fahrzeuge mit Stahlketten

Typische Einsatzbereiche von Fahrplatten aus Stahl:
Sichere Zuwegung auf unbefestigten Böden
Temporäre Fahrstrassen und mobile Wege
Schwerlastzufahrten für Lkw, Bagger oder Kräne
Befahrung mit Stahlkettenfahrzeugen

Unsere Standardplatte weisst die Abmessung 3000x1500x30mm auf. 1060kg. ab Lager CH.
Wir verwenden Stahl der höchsten Güteklasse: S355 (normaler Baustahl ist S235)

Die Platten werden nach Zeichnung von uns Produziert. Die Anhebelöcher sind berechnet ein Nachweis der Tragfähigkeit wird jeder Bestellung mitgeliefert.

Preis ist pro Platte excl. MwSt. unverladen ab Lager in CH.

Andere Abmessungen kann man auf Bestellung organisieren.

Length: 3000
Width: 1500
Height: 30
Weight: 1060
Material: Stahl
Quantity: 1000
Brand: Eigenmarke
Preis-Information: Staffelpreis ab 10 Stk.
Kann auch gemietet werden: ja


👑 Besuche jetzt unsere neue Community

Inserat21571220
Preis1'100 CHF
TypAngebot
InserentFirma
Reutra GmbH
Mauerackerstrasse 24
8107 Buchs (ZH)
  079 198 82 85

Kontakt