Gratis Inserat
z.B. sie sucht ihn | hund | katze | massage | mobilheim | maiensäss | pudel | maltipoo | bkh katze | heimarbeit | pomeranian | chihuahua | frau sucht mann



Shurflo 12V Wasserpumpe 13,4 l/min 3,4bar Dauerbetrieb

319.-

  23.10.25


Lageplan   Drucken   Betrug melden


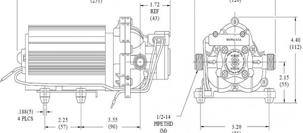
Shurflo-Membranpumpe 2088 514-145

Für Wasser und ähnliche Flüssigkeiten.

Hochleistungs- 3-Kammer Membranpumpe mit Kühlrippen. Druckabschaltung bei ca. 3,1 bar. Förderhöhe max. 30 m, Fördermenge max. 800 l/h (13,6 l/min). Betriebsspannung 12Volt DC, max. Stromaufnahme 9,5 Ampere. Trockenlauf bis max. 1h möglich. Anschluss Druck- und Saugseite 1/2" Gewindestutzen.

Diese 12V Wasserpumpe mit einer max. Leistungsaufnahme von 110 Watt ist auch für den Betrieb mit kleinen Inselanlagen geeignet.

Die Pumpenserie 2088 ist das Resultat eines langjährigen Entwicklungsprozesses. Ergebnis ist eine Niedervolt-Membranpumpe höchster Qualität.

Trockenlauffest: für sauberes Wasser wie für diverse Chemikalien.

Nennspannung: 12V
Stromaufnahme: 4,2 bis 9,5 A
Betriebsart: Dauerbetrieb (100% Einschaltdauer)
Ausrüstung: Druckschalter
Material Pumpengehäuse: Polypropylen
Material Ventile: Santoprene
Material Membrane: Santoprene
Förderhöhe /Fördermengen
7m / 11 L/min
14m / 10 L/min
21m / 8,7 L/min
28m / 7,8 L/min
Selbstansaughöhe: 2,7m
Ein- und Ausgang: 1/2?? G

Abmasse (LängexDurchmesserxHöhe)
250x130x110mm
Gewicht: 3,1 kg
Nötige Absicherung: 12A

Flüssigkeiten:
Viskosität: Bis 65 cSt (65 mm2/s)
Temperatur: Max. 77°C
Korngrösse: Max. 0,5mm

Wenn der Druckschalter viele Lastzyklen zum Ein- und Ausschalten der Pumpe ausführen muss, empfiehlt es sich, ein Relais dazwischen zu schalten.


👑 Besuche jetzt unsere neue Community

Inserat12814409
Preis319 CHF
KategorieGarten, Handwerk
UnterkategorieBaumaterial
TypAngebot
InserentFirma
Maurer Elektromaschinen GmbH
5040 Schöftland (AG)
  062 721 44 84
Alle Inserate dieses Anbieters

Kontakt